Pre-airflow (1963-1965) Lotus Cortina
(Click diagram below for larger "portrait" printable image)
Airflow (1965-1966) Lotus Cortina
(Click diagram below for larger "portrait" printable image)
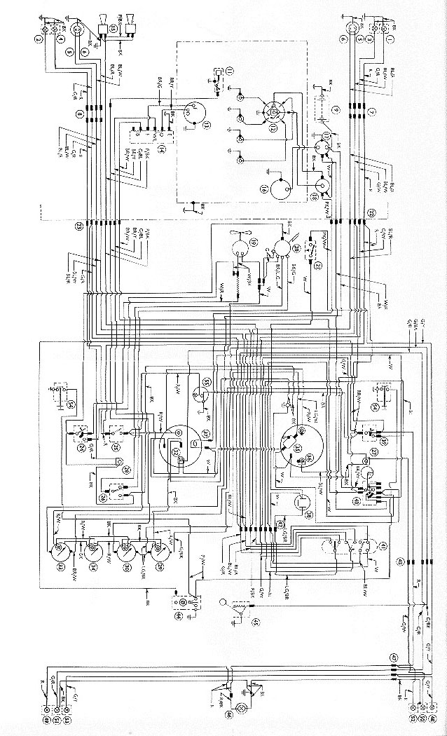
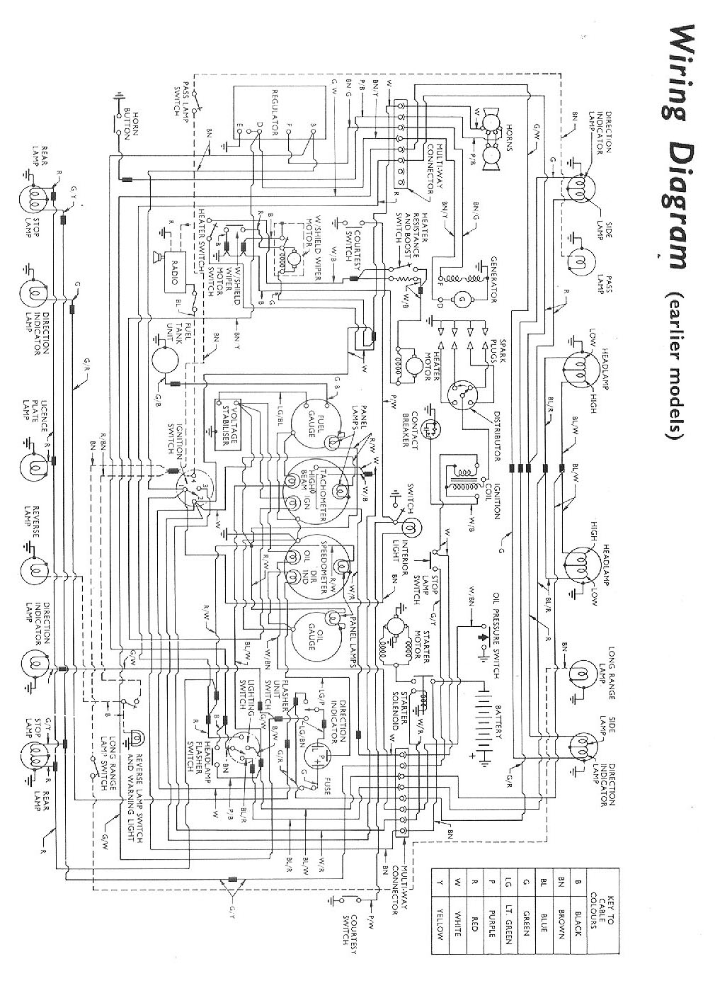
Early MKII (1967-1968) Lotus Cortina
(Click diagram and explanation below for larger "portrait" printable image)
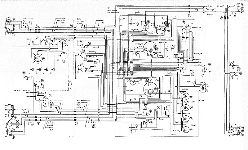
1969-1970 MKII Right Hand Drive
(Click diagram below for larger "portrait" printable image)
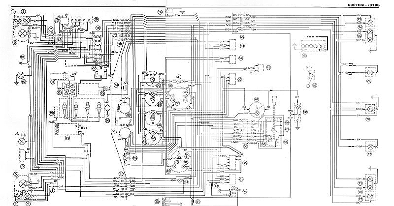
1969-1970 MKII Left Hand Drive
(Click diagram below for larger "portrait" printable image)
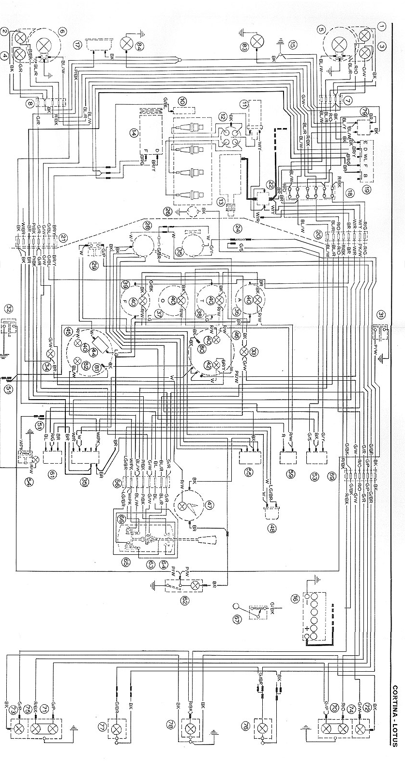
Key for 1969-1970 MKII RHD and LHD Wiring Diagrams
(Click for larger "portrait" printable page)
| Code | Item |                  | Code | Item |
| 1 | R.H. Side Lamp (Front) |                  | 40 | Instrument Illumiation Bulb |
| 2 | L.H. Side Lamp (Front) |                  | 42 | Generator Warning Light |
| 3 | R.H. Direction Indicator (Front) |                  | 44 | Instrument Voltage Stabilizer |
| 4 | L.H. Direction Indicator (Front) |                  | 45 | Speedometer |
| 5 | R.H. Headlamp |                  | 46 | Tachometer |
| 6 | L.H. Headlamp |                  | 47 | Clock |
| 7 | R.H. Front Loom Connector |                  | 48 | Turn Signal Unit |
| 8 | L.H. Front Loom Connector |                  | 53 | Heater Switch |
| 10 | Temperature Gauge Sender Unit |                  | 54 | Cigar Lighter |
| 11 | Coil |                  | 55 | Windscreen Wiper Switch |
| 12 | Distributor |                  | 56 | Steering Column Connector |
| 13 | Starter Motor |                  | 59 | Panel Light Switch |
| 14 | Generator |                  | 61 | Lighting Switch |
| 15 | Body Earth |                  | 62 | Interior Light |
| 16 | Battery |                  | 63 | Turn Signal Switch |
| 17 | Horn |                  | 64 | Horn Switch |
| 18 | Fuses |                  | 65 | Column Dip Switch |
| 19 | Regulator |                  | 66 | Headlamp Flasher Switch |
| 20 | R.H. Bulkhead Multi-Way Connector |                  | 67 | Fuel Tank Sender Unit |
| 21 | L.H. Bulkhead Multi-Way Connector |                  | 69 | Rear Wiring Connector |
| 22 | Starter Motor Solenoid |                  | 70 | R.H. Stop Lamp |
| 24 | Blower Motor Ballast Resistor |                  | 71 | L.H. Stop Lamp |
| 25 | Heater Motor |                  | 72 | R.H. Direction Indicator (Rear) |
| 26 | Back-up Lamp Switch (Manual Transmission) |                  | 73 | L.H. Direction Indicator (Rear) |
| 28 | Windscreen Wiper Motor |                  | 74 | R.H. Side Lamp (Rear) |
| 29 | Stop Lamp Switch |                  | 75 | L.H Side Lamp (Rear) |
| 31 | R.H. Courtesy Light Switch |                  | 76 | R.H. Reversing Lamp (where fitted) |
| 32 | L.H. Courtesy Light Switch |                  | 77 | L.H. Reversing Lamp (where fitted) |
| 33 | R.H. Indicator Warning Light |                  | 78 | License Plate Lamp |
| 34 | L.H. Indicator Warning Light |                  | 79 | Rod Lamp Relay (where fitted) |
| 35 | Ignition Switch |                  | 80 | Tachometer Earth |
| 36 | Ammeter |                  | 81 | Speedometer Earth |
| 37 | Oil Pressure Gauge |                  | 82 | Main Beam Warning Light |
| 38 | Temperature Gauge |                  | 83 | R.H. Road Lamp (where fitted) |
| 39 | Fuel Gauge |                  | 84 | R.H. Road Lamp (where fitted) |
Return to the Lotus Cortina Electrics Page
Return to the Cortina Land Index Page